Kategorije
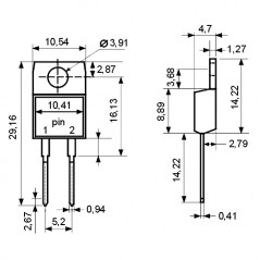
Schottky 60V 16A TO220AC
77,05 rsd
Sa PDV-om
Provera količine na upit.
Na stanju
DIOMBR1660
komad
DIOMBR1660
