Kategorije
- Aktivne komponente
-
Alat i pribor
- Audio komponente
-
Elektromehaničke komponente
- Adapteri
- Audio video konektori
- Auto konektori
- Centronics konektori
- DC konektori
- Kleme
- Konektori 2 mm
- Konektori 4 mm
- Konektori 4,2 mm
- Konektori card Edge
- Konektori DIN
- Konektori za flet kablove
- Konektori za zvučnike
- Kontakt letvice i pinovi
- Kratkospojnici
- NYLON konektori
- Papučice i kontakti
- Pin konektori
- RJ konektori, adapteri i uvodnici
- SUBD konektori
- USB konektori
- Elementi za montažu
- Industrijska elektronika
- Instrumenti i pribor
-
Izvori napajanja i oprema
-
Kablovi
-
Lemna oprema
-
Pasivne komponente
- Programatori i učila
- Strujni program
- Svetlosna tehnika
-
Uredjaji i komponente
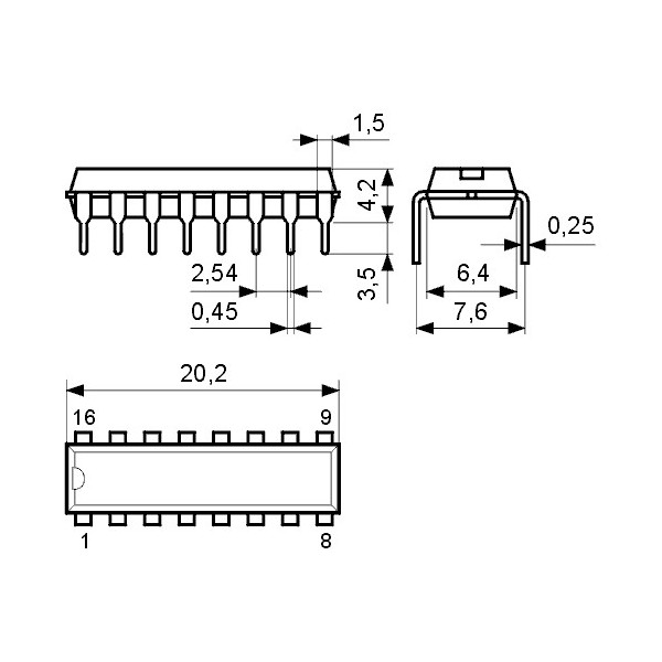
Dual synchronous BCD counter DIP16
207,00 rsd
Sa PDV-om
Rok dostupnosti na upit !
Uskoro
IC74HC4518
komad
IC74HC4518
